Product Summary
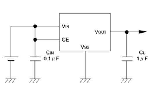
The XC6204B502MR is a highly precise, low noise, positive voltage LDO regulator manufactured using CMOS processes. The product achieves high ripple rejection and low dropout and consists of a standard voltage source, an error correction, current limiter and a phase compensation circuit plus a driver transistor. Output voltage is selectable in 50mV increments within a range of 1.8V to 6.0V. The XC6204B502MR is also compatible with low ESR ceramic capacitors which give added output stability. This stability can be maintained even during load fluctuations due to the excellent transient response of the series.
Parametrics
XC6204B502MR absolute maximum ratings: (1)Input Voltage, VIN: 12V; (2)Output Current, IOUT: 500mA; (3)Output Voltage, VOUT: VSS-0.3 to VIN+0.3V; (4)CE Input Voltage, VCE: VSS-0.3 to VIN+0.3V; (5)Power Dissipation, Pd: 250mW; (6)Operational Ambient Temperature, Topr: -40 to +85℃; (7)Storage Temperature, Tstg: -55 to +125℃.
Features
XC6204B502MR features: (1)Maximum Output Current: 150mA (300mA=XC6204 E to H TYP.); (2)Dropout Voltage : 200mV @ 100mA; 60mV @ 30mA; (3)Operating Voltage : 2V ~ 10V; (4)Output Voltage Range: 1.8V ~ 6.0V (XC6204) (0.05V increments); 0.9V ~ 1.75V (XC6205) (0.05V increments); (5)Highly Accurate : ±2%; (6)Low Power Consumption : 70μA (TYP.); (7)Standby Current : Less than 0.1μA (TYP.); (8)High Ripple Rejection : 70dB (10kHz) (XC6204); 60dB (10kHz) (XC6205); (9)Operational Temperature Range: -40℃ ~ 85℃; (10)Low ESR Capacitor Compatible: Ceramic capacitor.
Diagrams

| Image | Part No | Mfg | Description | ![]() |
Pricing (USD) |
Quantity | ||||||||||||||||||
|---|---|---|---|---|---|---|---|---|---|---|---|---|---|---|---|---|---|---|---|---|---|---|---|---|
![]() |
![]() XC6204B502MR-G |
![]() |
![]() IC REG LDO 5V .15A SOT-25 |
![]() Data Sheet |
![]()
|
|
||||||||||||||||||
| Image | Part No | Mfg | Description | ![]() |
Pricing (USD) |
Quantity | ||||||||||||||||||
![]() |
![]() XC6201 |
![]() Other |
![]() |
![]() Data Sheet |
![]() Negotiable |
|
||||||||||||||||||
![]() |
![]() XC6201P132 |
![]() Other |
![]() |
![]() Data Sheet |
![]() Negotiable |
|
||||||||||||||||||
![]() |
![]() XC6201P182MR-G |
![]() |
![]() IC REG LDO 1.8V 80MA SOT23-5 |
![]() Data Sheet |
![]()
|
|
||||||||||||||||||
![]() |
![]() XC6201P182PR-G |
![]() |
![]() IC REG LDO 1.8V 80MA SOT89-3 |
![]() Data Sheet |
![]()
|
|
||||||||||||||||||
![]() |
![]() XC6201P252MR-G |
![]() |
![]() IC REG LDO 2.5V .1A SOT-25 |
![]() Data Sheet |
![]()
|
|
||||||||||||||||||
![]() |
![]() XC6201P252PR-G |
![]() |
![]() IC REG LDO 2.5V .1A SOT-89 |
![]() Data Sheet |
![]()
|
|
||||||||||||||||||
(China (Mainland))










