Product Summary
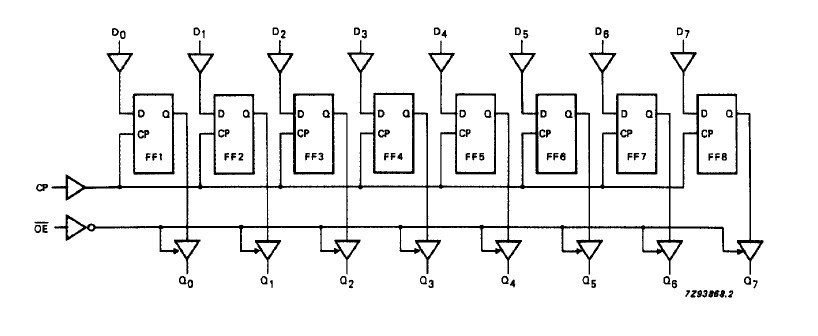
The 74HC574D is a high-speed Si-gate CMOS device and is pin compatible with low power Schottky TTL (LSTTL). It is specified in compliance with JEDEC standard no. 7A. The 74HC574D is an octal D-type flip-flop featuring separate D-type inputs for each flip-flop and non-inverting 3-state outputs for bus oriented applications. A clock (CP) and an output enable (OE) input are common to all flip-flops.
Parametrics
74HC574D characteristics: (1)tPHL/ tPLH propagation delay CP to Qn: Tamb=+25℃: typ=47ns, max=150ns; Tamb=-40 to +85℃: max=190ns; Tamb=-40 to +125℃: max=225ns; VCC: 2.0V; (2)tPZH/ tPZL 3-state output enable time OE to Qn: Tamb=+25℃: typ=44ns, max=140ns; Tamb=-40 to +85℃: max=175ns; Tamb=-40 to +125℃: max=210ns; VCC: 2.0V; (3)tPHZ/ tPLZ 3-state output disable time OE to Qn: Tamb=+25℃: typ=39ns, max=125ns; Tamb=-40 to +85℃: max=155ns; Tamb=-40 to +125℃: max=190ns; VCC: 2.0V; (4)tTHL/ tTLH output transition time: Tamb=+25℃: typ=14ns, max=60ns; Tamb=-40 to +85℃: max=75ns; Tamb=-40 to +125℃: max=90ns; VCC: 2.0V.
Features
74HC574D features: (1)3-state non-inverting outputs for bus oriented applications; (2)8-bit positive edge-triggered register; (3)Common 3-state output enable minput; (4)Independent register and 3-state buffer operation; (5)Output capability: bus driver; (6)ICC category: MSI.
Diagrams

| Image | Part No | Mfg | Description | ![]() |
Pricing (USD) |
Quantity | ||||||||||||
|---|---|---|---|---|---|---|---|---|---|---|---|---|---|---|---|---|---|---|
![]() |
![]() 74HC574D |
![]() NXP Semiconductors |
![]() Flip Flops OCTAL D F/F POS-EDGE 3STATE |
![]() Data Sheet |
![]() Negotiable |
|
||||||||||||
![]() |
![]() 74HC574D,652 |
![]() NXP Semiconductors |
![]() Flip Flops OCTAL D F/F POS-EDGE |
![]() Data Sheet |
![]()
|
|
||||||||||||
![]() |
![]() 74HC574DB,112 |
![]() NXP Semiconductors |
![]() Flip Flops OCTAL D F-F POS-EDGE |
![]() Data Sheet |
![]()
|
|
||||||||||||
![]() |
![]() 74HC574DB,118 |
![]() NXP Semiconductors |
![]() Flip Flops OCTAL D-TYPE POS EDGE 3-S |
![]() Data Sheet |
![]()
|
|
||||||||||||
![]() |
![]() 74HC574D,653 |
![]() NXP Semiconductors |
![]() Flip Flops OCTAL D-TYPE POS EDGE 3-S |
![]() Data Sheet |
![]()
|
|
||||||||||||
![]() |
![]() 74HC574DB |
![]() NXP Semiconductors |
![]() Flip Flops OCTAL D F-F POS-EDGE |
![]() Data Sheet |
![]() Negotiable |
|
||||||||||||
![]() |
![]() 74HC574DTR2G |
![]() ON Semiconductor |
![]() Flip Flops OCTAL D TYPE 3 STATE NONINVERTNG FLIPFLOP |
![]() Data Sheet |
![]()
|
|
||||||||||||
(China (Mainland))










