Product Summary
The MBRS540T3 is a Surface Mount Schottky Power Rectifier. The MBRS540T3 employs the Schottky Barrier principle in a large area metal-to-silicon power diode. State-of-the-art geometry features epitaxial construction with oxide passivation and metal overlay contact. Ideally suited for low voltage, high frequency rectification, or as free wheeling and polarity protection diodes in surface mount applications where compact size and weight are critical to the system.
Parametrics
MBRS540T3 absolute maximum ratings: (1)Peak Repetitive Reverse Voltage, VRRM: 40V; (2)Working Peak Reverse Voltage, VRWM: 40V; (3)DC Blocking Voltage, VR: 40V; (4)Average Rectified Forward Current (At Rated VR, TC = 105℃), IF(AV): 5 A; (5)Peak Repetitive Forward Current (At Rated VR, Square Wave, 20 KHz, TC = 80℃), IFRM: 10 ; (6)Non-Repetitive Peak Surge Current (Surge Applied at Rated Load Conditions Halfwave, Single Phase, 60 Hz), IFSM: 190 A; (7)Storage Temperature Range, Tstg: -65 to +150℃; (8)Operating Junction Temperature, TJ: -65 to +150℃; (9)Voltage Rate of Change (Rated VR), dv/dt: 10,000 V/μs.
Features
MBRS540T3 features: (1)Small Compact Surface Mountable Package with J?Bend Leads; (2)Rectangular Package for Automated Handling; (3)Highly Stable Oxide Passivated Junction; (4)Excellent Ability to Withstand Reverse Avalanche Energy Transients; (5)Guard-Ring for Stress Protection; (6)Pb-Free Package is Available.
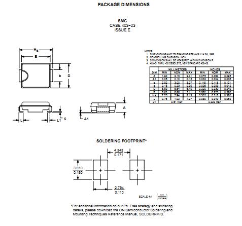
Diagrams

| Image | Part No | Mfg | Description | ![]() |
Pricing (USD) |
Quantity | ||||||||||||
|---|---|---|---|---|---|---|---|---|---|---|---|---|---|---|---|---|---|---|
![]() |
![]() MBRS540T3 |
![]() ON Semiconductor |
![]() Schottky (Diodes & Rectifiers) 5A 40V |
![]() Data Sheet |
![]() Negotiable |
|
||||||||||||
![]() |
![]() MBRS540T3G |
![]() ON Semiconductor |
![]() Schottky (Diodes & Rectifiers) 5A 40V |
![]() Data Sheet |
![]()
|
|
||||||||||||
(China (Mainland))









