Product Summary
The TMS320F28335PGFA is a Digital Signal Controller. It is a highly integrated, high-performance solution for demanding control applications.
Parametrics
TMS320F28335PGFA absolute maximum ratings: (1)Supply voltage range, VDDIO, VDD3VFL with respect to VSS: - 0.3 V to 4.6 V; (2)Supply voltage range, VDDA2, VDDAIO with respect to VSSA: - 0.3 V to 4.6 V; (3)Supply voltage range, VDD with respect to VSS: - 0.3 V to 2.5 V; (4)Supply voltage range, VDD1A18, VDD2A18 with respect to VSSA: - 0.3 V to 2.5 V; (5)Supply voltage range, VSSA2, VSSAIO, VSS1AGND, VSS2AGND with respect to VSS: - 0.3 V to 0.3 V; (6)Input voltage range, VIN: - 0.3 V to 4.6 V; (7)Output voltage range, VO: - 0.3 V to 4.6 V; (8)Input clamp current, IIK (VIN < 0 or VIN > VDDIO): ± 20 mA; (9)Output clamp current, IOK (VO < 0 or VO > VDDIO): ± 20 mA; (10)Operating ambient temperature ranges, TA: A version: - 40 to 85℃; (11)Junction temperature range, Tj: - 40 to 150℃; (12)Storage temperature range, Tstg: - 65 to 150℃.
Features
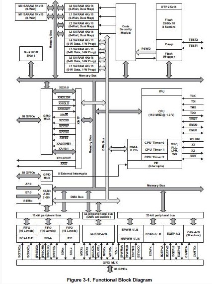
TMS320F28335PGFA features: (1) Up to 18 PWM Outputs; (2)Up to 6 HRPWM Outputs With 150 ps MEP Resolution; (3)Up to 6 Event Capture Inputs– Up to 2 Quadrature Encoder Interfaces; (4)Up to 6 32-bit/Six 16-bit Timers; (5)Up to 2 CAN Modules; (6)Up to 3 SCI (UART) Modules; (7)Up to 2 McBSP/SPI Modules; (8)Dedicated SPI Module; (9)One Inter-Integrated-Circuit (I2C) Bus; (10)12-Bit ADC, 16 Channels; (11)80-ns Conversion Rate; (12)2 x 8 Channel Input Multiplexer; (13)Two Sample-and-Hold; (14)Single/Simultaneous Conversions; (15)Internal or External Reference; (16)Up to 88 Individually Programmable, Multiplexed GPIO Pins With Input Filtering; (17)JTAG Boundary Scan Support; (18)Analysis and Breakpoint Functions; (19)Real-Time Debug via Hardware; (20)ANSI C/C++ Compiler/Assembler/Linker; (21)Code Composer Studio IDE; (22)DSP/BIOS; (23)Digital Motor Control and Digital Power Software Libraries; (24)Low-Power Modes and Power Savings.
Diagrams

| Image | Part No | Mfg | Description | ![]() |
Pricing (USD) |
Quantity | ||||||||||||
|---|---|---|---|---|---|---|---|---|---|---|---|---|---|---|---|---|---|---|
![]() |
![]() TMS320F28335PGFA |
![]() Texas Instruments |
![]() Digital Signal Processors & Controllers (DSP, DSC) Digital Signal Controller |
![]() Data Sheet |
![]()
|
|
||||||||||||
| Image | Part No | Mfg | Description | ![]() |
Pricing (USD) |
Quantity | ||||||||||||
![]() |
![]() TMS3112 |
![]() Other |
![]() |
![]() Data Sheet |
![]() Negotiable |
|
||||||||||||
![]() |
![]() TMS3121 |
![]() Other |
![]() |
![]() Data Sheet |
![]() Negotiable |
|
||||||||||||
![]() |
![]() TMS320 |
![]() Other |
![]() |
![]() Data Sheet |
![]() Negotiable |
|
||||||||||||
![]() |
![]() TMS32010 |
![]() Other |
![]() |
![]() Data Sheet |
![]() Negotiable |
|
||||||||||||
![]() |
![]() TMS320AV7110 |
![]() Other |
![]() |
![]() Data Sheet |
![]() Negotiable |
|
||||||||||||
![]() |
![]() TMS320BC51PQ100 |
![]() Texas Instruments |
![]() Digital Signal Processors & Controllers (DSP, DSC) TMS320C51PQ - 132QFP - 100MHZ/BOOT CODE |
![]() Data Sheet |
![]() Negotiable |
|
||||||||||||
(China (Mainland))










