Product Summary
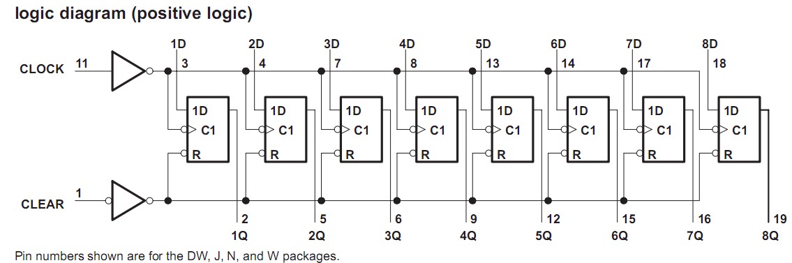
The SN74LS273N monolithic, positive-edge-triggered flip-flop utilizes TTL circuitry to implement D-type flip-flop logic with a direct clear input. Information at the D inputs meeting the setup time requirements is transferred to the Q outputs on the positive-going edge of the clock pulse. Clock triggering occurs at a particular voltage level and is not directly related to the transition time of the positive-going pulse. When the clock input is at either the high or low level, the D input signal has no effect ar the output. The SN74LS273N is guaranteed to respond to clock frequencies ranging form 0 to 30 megahertz while maximum clock frequency is typically 40 megahertz.
Parametrics
SN74LS273N absolute maximum ratings: (1)Supply voltage, VCC (see Note 1): 7 V; (2)Input voltage: 5.5 V; (3)Operating free-air temperature range: 0 to 70℃; (4)Storage temperature range: –65 to 150℃.
Features
SN74LS273N features: (1)Contains Eight Flip-Flops With Single-Rail Outputs; (2)Buffered Clock and Direct Clear Inputs; (3)Individual Data Input to Each Flip-Flop; (4)Applications Include: Buffer/Storage Registers, Shift Registers, Pattern Generators.
Diagrams

| Image | Part No | Mfg | Description | ![]() |
Pricing (USD) |
Quantity | ||||||||||||
|---|---|---|---|---|---|---|---|---|---|---|---|---|---|---|---|---|---|---|
![]() |
![]() SN74LS273N |
![]() Texas Instruments |
![]() Flip Flops Octal |
![]() Data Sheet |
![]()
|
|
||||||||||||
![]() |
![]() SN74LS273NE4 |
![]() Texas Instruments |
![]() Flip Flops Octal D-Type Flip-Flop w/Clear |
![]() Data Sheet |
![]()
|
|
||||||||||||
![]() |
![]() SN74LS273NSR |
![]() Texas Instruments |
![]() Flip Flops Octal D-Type Flip-Flop w/Clear |
![]() Data Sheet |
![]()
|
|
||||||||||||
![]() |
![]() SN74LS273NSRG4 |
![]() Texas Instruments |
![]() Flip Flops Octal D-Type Flip-Flop w/Clear |
![]() Data Sheet |
![]()
|
|
||||||||||||
(China (Mainland))









